Hệ thống điện phân giải hấp
  • Hệ thống điện phân giải hấp Hệ thống điện phân giải hấp

Hệ thống điện phân giải hấp

Là một trong những nhà sản xuất chuyên nghiệp, Epic muốn cung cấp cho bạn hệ thống điện phân giải hấp chất lượng cao. Và chúng tôi sẽ cung cấp cho bạn dịch vụ sau bán hàng tốt nhất và giao hàng kịp thời.

Gửi yêu cầu

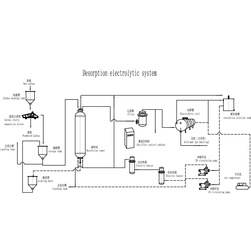
Mô tả Sản phẩm

Là một nhà sản xuất thành thạo, Epic nhằm mục đích cung cấp cho bạn hệ thống điện phân giải hấp hàng đầu. Chúng tôi hứa sẽ cung cấp cho bạn hỗ trợ sau bán hàng tốt nhất và giao hàng kịp thời. Ngoài việc thêm dễ dàng hơn bởi hệ thống giải hấp hấp phụ carbon được kích hoạt của anion, do đó thay thế Au (CN) 2 ", nhận ra sự giải hấp của vàng.

1, nhiệt độ cao, áp suất cao, không xyanua, điều khiển tự động giải hấp, với độ trễ cao, tiêu thụ cung, nhanh

đặc trưng: 

A. Hiệu quả cao: Khi loại carbon được nạp vàng đạt 3000 g/t, tốc độ giải hấp có thể đạt hơn 96%và loại carbon kém có thể được làm lại 3-4 lần so với WTH, điện phân giải hấp thông thường

thiết bị:

B.Fast: Nhiệt độ điện phân giải hấp có thể cao tới 150 (cao hơn 30-55 so với các mô hình khác) áp suất làm việc lên tới 0,5MPa (cao hơn 0,2-0,5MPa so với các mô hình khác), do đó, thời gian điện phân giải hấp rất nhanh, thường là 12 giờ 

3 lần: Tiêu thụ C.low: Nhiệt độ điện phân giải hấp là như nhau, không truyền nhiệt, vì công việc nhanh, do đó tổng mức tiêu thụ năng lượng là 1/2-1/4 của hệ thống thông thường.

2. Không có xyanua: dung dịch giải hấp không cần thêm natri xyanua, chi phí thấp, không ô nhiễm:

3, bùn vàng cao cấp, không cần phải đảo ngược điện phân, chiết dễ dàng;

4, Điều khiển tự động: Đặc biệt đặt hệ thống điều khiển cấp chất lỏng, hệ thống kiểm soát nhiệt độ và hệ thống điều khiển tự động;

5, An toàn: Với các biện pháp bảo vệ an toàn ba lần, cụ thể là hệ thống thông minh, cơ chế giải phóng áp suất áp suất tự động, van an toàn bảo hiểm.

Thẻ nóng: Hệ thống điện phân giải hấp
Gửi yêu cầu
Xin vui lòng gửi yêu cầu của bạn trong mẫu dưới đây. Chúng tôi sẽ trả lời bạn trong 24 giờ.
Những sảm phẩm tương tự
X
Chúng tôi sử dụng cookie để cung cấp cho bạn trải nghiệm duyệt web tốt hơn, phân tích lưu lượng truy cập trang web và cá nhân hóa nội dung. Bằng cách sử dụng trang web này, bạn đồng ý với việc chúng tôi sử dụng cookie. Chính sách bảo mật