English
Español
Português
русский
Français
日本語
Deutsch
tiếng Việt
Italiano
Nederlands
ภาษาไทย
Polski
한국어
Svenska
magyar
Malay
বাংলা ভাষার
Dansk
Suomi
हिन्दी
Pilipino
Türkçe
Gaeilge
العربية
Indonesia
Norsk
تمل
český
ελληνικά
український
Javanese
فارسی
தமிழ்
తెలుగు
नेपाली
Burmese
български
ລາວ
Latine
Қазақша
Euskal
Azərbaycan
Slovenský jazyk
Македонски
Lietuvos
Eesti Keel
Română
Slovenski
मराठी
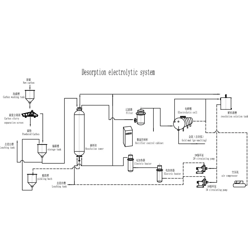
Srpski језик Hệ thống điện phân giải hấp là một công nghệ quan trọng trong quá trình chiết xuất vàng hiện đại, đặc biệt là trong các quy trình cacbon trong bột giấy (CIP) và cacbon trong nước lọc (CIL). Blog này khám phá cách hệ thống hoạt động, các thành phần, ưu điểm của nó và lý do tại sao nó trở thành tiêu c......
Đọc thêmMáy phân loại xoắn ốc chìm là một thành phần quan trọng trong chế biến khoáng sản giúp tăng cường khả năng phân tách và phân loại hạt trong các ngành công nghiệp khác nhau. Trong bài viết này, chúng ta sẽ khám phá chức năng, ưu điểm và ứng dụng của máy phân loại xoắn ốc chìm, cũng như các giải pháp ......
Đọc thêmBể khuấy trộn là thiết bị thiết yếu trong ngành khai thác mỏ, đặc biệt là để tách kim loại có giá trị từ quặng thông qua quá trình lọc. Trong blog này, chúng ta sẽ khám phá tầm quan trọng, nguyên lý làm việc và các loại bể khuấy lọc khác nhau được sử dụng trong ngành khai thác mỏ.
Đọc thêmMáy phân loại xoắn ốc chìm là một thiết bị quan trọng trong chế biến khoáng sản, được thiết kế để tách các hạt dựa trên kích thước và mật độ thông qua quá trình lắng đọng trọng lực và chuyển động cơ học. Được sử dụng rộng rãi trong các hệ thống khai thác mỏ, rửa cát và phân loại công nghiệp, máy này......
Đọc thêmMáy làm đặc tấm nghiêng tốc độ cao (CHRIPT) là một thiết bị quan trọng được sử dụng trong ngành khai thác mỏ và chế biến khoáng sản. Được biết đến với khả năng tách chất rắn khỏi chất lỏng một cách hiệu quả, chất làm đặc này rất quan trọng trong các ngành công nghiệp như xử lý nước thải, chế biến kh......
Đọc thêmBình tuyển nổi bọt hình trụ đang cách mạng hóa quá trình xử lý khoáng sản với thiết kế tối ưu, tốc độ thu hồi nâng cao và hiệu suất tiết kiệm năng lượng. Hướng dẫn toàn diện này khám phá sự khác biệt giữa các tế bào tuyển nổi hình trụ so với các mô hình truyền thống, nguyên tắc làm việc, ưu điểm, ứn......
Đọc thêm