Hệ thống điện phân giải hấp là gì và tại sao nó lại cần thiết cho quá trình khai thác vàng hiện đại

2026-04-21 - Để lại cho tôi một tin nhắn

cácHệ thống điện phân giải hấplà một công nghệ quan trọng trong khai thác vàng hiện đại, đặc biệt là trong các quy trình cacbon trong bột giấy (CIP) và cacbon trong nước lọc (CIL). Blog này khám phá cách hệ thống hoạt động, các thành phần, ưu điểm của nó và lý do tại sao nó trở thành tiêu chuẩn trong việc thu hồi vàng hiệu quả. Chúng tôi cũng nhấn mạnh cách các công ty thíchSỬ THIđang thúc đẩy sự đổi mới trong lĩnh vực này. Cuối cùng, bạn sẽ hiểu biết toàn diện về cách hệ thống này nâng cao năng suất, giảm chi phí và cải thiện tỷ lệ thu hồi.

Desorption Electrolytic System

Mục lục


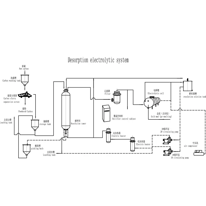
Hệ thống điện phân giải hấp là gì

A Hệ thống điện phân giải hấplà một hệ thống thu hồi vàng tiên tiến được sử dụng để chiết xuất vàng từ than hoạt tính. Nó được áp dụng rộng rãi trong các hoạt động khai thác mỏ, nơi vàng được hấp thụ vào các hạt carbon trong quá trình lọc.

  • Giải hấp: Loại bỏ vàng khỏi carbon bằng dung dịch nhiệt độ cao và áp suất cao
  • Điện phân: Thu hồi vàng từ dung dịch lên cực âm
  • Hệ thống khép kín: Đảm bảo hiệu quả và tổn thất tối thiểu

Hệ thống này rất cần thiết để nâng cao hiệu quả thu hồi và giảm chi phí vận hành, khiến nó trở thành thành phần cốt lõi trong các nhà máy chế biến vàng hiện đại.


Hệ thống điện phân giải hấp hoạt động như thế nào

Nguyên lý làm việc của mộtHệ thống điện phân giải hấpgồm hai giai đoạn chính:

  1. Giai đoạn giải hấp:Carbon nạp vàng được xử lý bằng dung dịch xyanua kiềm nóng, giải phóng các ion vàng.
  2. Giai đoạn điện phân:Dung dịch giàu vàng đi qua một tế bào điện phân, nơi vàng lắng đọng trên cực âm len thép.

Quá trình này đảm bảo hiệu quả cao và cho phép hoạt động liên tục, đó là lý do tại sao các hệ thống của các công ty nhưSỬ THIđược áp dụng rộng rãi trong các ứng dụng công nghiệp.


Các thành phần chính của hệ thống

Thành phần Chức năng
Cột giải hấp Giữ than hoạt tính và tạo điều kiện loại bỏ vàng
Tế bào điện phân Thu hồi vàng bằng điện phân
Bộ trao đổi nhiệt Duy trì nhiệt độ cần thiết
Hệ thống lọc Loại bỏ tạp chất khỏi dung dịch
Hệ thống điều khiển Tự động hóa hoạt động và giám sát các thông số

Mỗi thành phần đóng một vai trò quan trọng trong việc đảm bảo hệ thống hoạt động hiệu quả và nhất quán.


Ưu điểm và tính năng kỹ thuật

  • Tỷ lệ thu hồi vàng cao (lên tới 98%)
  • Tiêu thụ năng lượng thấp
  • Vận hành tự động để giảm chi phí lao động
  • Thiết kế nhỏ gọn cho hiệu quả không gian
  • Thân thiện với môi trường với lượng khí thải tối thiểu

Các nhà sản xuất thíchSỬ THIliên tục tối ưu hóa các hệ thống này để đáp ứng nhu cầu ngày càng tăng của ngành, đảm bảo hiệu suất và độ tin cậy tốt hơn.


Ứng dụng trong chế biến vàng

cácHệ thống điện phân giải hấpđược sử dụng rộng rãi trong:

  • nhà máy khai thác vàng
  • Hoạt động CIP (Carbon-in-Pulp)
  • Quy trình CIL (Carbon-in-Leach)
  • Thu hồi chất thải vàng

Tính linh hoạt của nó làm cho nó phù hợp cho cả khai thác công nghiệp quy mô lớn và các hoạt động nhỏ hơn nhằm cải thiện hiệu quả.


So sánh với các phương pháp truyền thống

Tính năng Hệ thống điện phân giải hấp Phương pháp truyền thống
Hiệu quả Cao Vừa phải
Tự động hóa Hoàn toàn tự động Thủ công hoặc bán tự động
Trị giá Chi phí dài hạn thấp hơn Chi phí vận hành cao hơn
Tác động môi trường Thấp Cao hơn

Rõ ràng, hệ thống hiện đại mang lại những lợi thế đáng kể so với các kỹ thuật thu hồi vàng truyền thống.


Hướng dẫn lựa chọn cho người mua

Khi chọn mộtHệ thống điện phân giải hấp, hãy xem xét các yếu tố sau:

  • năng lực xử lý
  • Mức độ tự động hóa
  • Hiệu quả năng lượng
  • Danh tiếng của nhà sản xuất (ví dụ: EPIC)
  • Hỗ trợ sau bán hàng

Việc lựa chọn hệ thống phù hợp đảm bảo hoạt động thành công lâu dài và tối đa hóa lợi tức đầu tư.


Mẹo bảo trì và vận hành

  • Thường xuyên kiểm tra đường ống và van
  • Theo dõi mức nhiệt độ và áp suất
  • Làm sạch tế bào điện phân định kỳ
  • Thay thế kịp thời các linh kiện bị mòn
  • Tuân thủ nghiêm ngặt các hướng dẫn của nhà sản xuất

Bảo trì đúng cách sẽ kéo dài đáng kể tuổi thọ của hệ thống và đảm bảo hiệu suất ổn định.


Câu hỏi thường gặp

1. Mục đích chính của Hệ thống điện phân giải hấp là gì?

Mục đích chính của nó là chiết xuất và thu hồi vàng từ than hoạt tính một cách hiệu quả.

2. Hệ thống này hiệu quả như thế nào?

Hầu hết các hệ thống đều đạt được tỷ lệ thu hồi vàng trên 95%, tùy thuộc vào điều kiện vận hành.

3. Hệ thống có thân thiện với môi trường không?

Có, các hệ thống hiện đại được thiết kế để giảm thiểu khí thải và giảm chất thải hóa học.

4. Nó có thể được tùy chỉnh không?

Có, các công ty như EPIC cung cấp các giải pháp có thể tùy chỉnh dựa trên yêu cầu xử lý.

5. Những ngành nào sử dụng hệ thống này?

Chủ yếu là ngành khai thác vàng mà còn trong các ứng dụng thu hồi kim loại quý.


Phần kết luận

cácHệ thống điện phân giải hấpđại diện cho bước đột phá trong công nghệ thu hồi vàng, mang lại hiệu quả, độ tin cậy và hiệu quả môi trường chưa từng có. Với những tiến bộ không ngừng từ các nhà lãnh đạo ngành nhưSỬ THI, hệ thống này ngày càng trở nên cần thiết cho các hoạt động khai thác hiện đại. Nếu bạn đang tìm cách tối ưu hóa quy trình khai thác vàng và nâng cao lợi nhuận, đầu tư vào một hệ thống chất lượng cao là một lựa chọn thông minh.Liên hệ với chúng tôingay hôm nay để tìm hiểu thêm về cách chúng tôi có thể cung cấp các giải pháp phù hợp cho nhu cầu của bạn.

Gửi yêu cầu

X
Chúng tôi sử dụng cookie để cung cấp cho bạn trải nghiệm duyệt web tốt hơn, phân tích lưu lượng truy cập trang web và cá nhân hóa nội dung. Bằng cách sử dụng trang web này, bạn đồng ý với việc chúng tôi sử dụng cookie. Chính sách bảo mật